开云官方-电梯光幕技术基本原理
开云官方光幕是电梯重要的关门保护装置,但目前针对光幕缺少度系统性的技术论文,更缺少对其技术参数的研究。本文从基本的应用着手,循序渐进地介绍了光幕的技术原理和主要技术参数,并对光幕未来的技术方向作了一些探索。
多年前,电梯关门时夹到人后才会自动开门,因为那个时候用的关门保护装置就是一种简单的安全触板,当门夹到人后带动触板联动机构牵引行程开关通断,再将此通断信号送给主机板执行开门流程。相对于传统的安全触板,光幕可以在未触碰到乘员的时候就开始保护性开门,具备更安全的乘员保护作用。光幕外形如图1所示,由发射和接收2 个单元构成,约2 m 长。根据是否配套安全触板可分为二合一光幕和纯光幕,配套安全触板的光幕就是二合一光幕,这种外壳结构要能够安装安全触板。顾名思义,纯光幕就不需要配套安装安全触板,故其外壳相对细长,外壳多由铝型材制成。

光幕是运用收发红外光的方式来检测障碍物的,根据发射单元的发射管和接收单元的接收管的相对位置,又分为平行布置式(如图2所示)和交叉布置式(如图3所示),本文主要讲述平行布置式光幕。所谓平行布置式就是指发射单元和接收单元并排放置,底部对齐(有引出电缆的一端为顶部)后,每对收发管平齐。收发管交叉布置的为交叉布置式。


光幕的发射单元和接收单元包括进行过表面氧化处理的铝型材壳体,铝型材一面开口,用于透过灯管红外光(如图4 铝型材截面图),以及两头的端盖,和滤光条及装在铝型材内部的线路板组件和引出电缆等,光幕的输出端子设置在接收单元上,故接收单元通常比发射单元的引出线 芯。发射单元的输出端子包括电源正、负端子和同步信号端;接收单元包括电源正、负端子及同步信号和光幕输出脉冲端等。线路板组件均包括主板和多个灯板,如图2、3 所示,最左边的是主板,右边是第1 块灯板,每个单元通常共有3 块灯板,主板和灯板采用板对板连接器对插连接。
发射单元上布置了36 对发射管(波长为850 nm 或940 nm),接收单元上布置了36 对接收管,正常情况下发射发出的红外光,接收单元能够收到,如果有1 只或几只灯管收不到红外光,那么接受单元上的输出端子就会输出遮挡状态电平,即通知电梯主机开门以起到未接触而保护乘员的作用。

通常光束扫描有以下几种角度,即发射单元上1 号灯管发射,接收单元上1 号灯管接收(下文简称1 发1收),2 发2 收…,36 发36 收,见图5 光束图所示。第2 种扫描角度是,1 发2 收,2 发3 收,3 发4 收…,35 发36 收;第3 种扫描角度,1 发3 收,2 发4 收…,34 发36 收;第4 种扫描角度,2 发1 收,3 发2 收…,36 发35 收;第5 种扫描角度,3 发1 收,4 发2 收…,36 发34 收。每种扫描角度从1 号到36 号为1 个周期,每个周期约45 ms,故以秒级的残留效应能绘制出5 种角度“同屏”存在光束图,如图5 展示的全部光束。
基于以上光束图可以看出,靠近发射单元和接收单元时,检测盲区相对较大,而向中间移动1/3 距离处光束密度高盲区小,即很小的遮挡物都能被识别出来。实验证明靠近收发单元的最小遮挡物截面为50 mm,而中间部分的最小遮挡物只有20 mm。
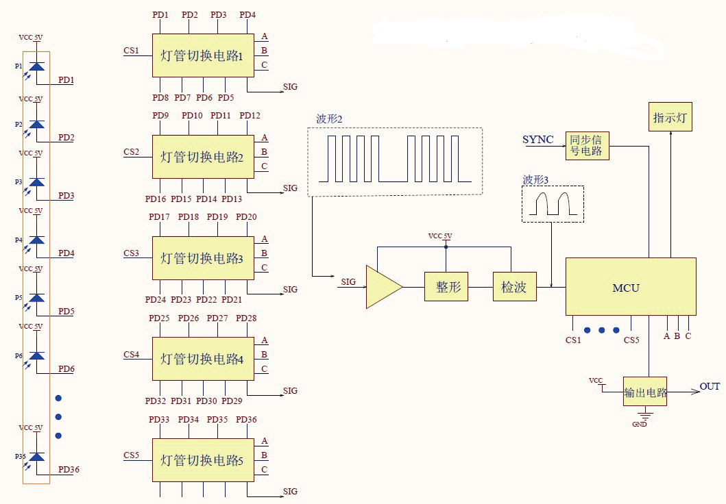
光幕发射单元电路主要包括供电电路、MCU 控制电路、阳极灯管切换电路、阴极灯管切换电路、指示灯电路、36 只发射灯管等,如图6 光幕发射单元电路。这里要介绍一下为什么普遍使用36 只灯管?因为根据新国标GB/T7588.1-2021[4]要求,光幕装梯后必须至少满足从轿厢地坎以上25 ~ 1 600 mm 的保护范围,又要求最小遮挡物截面为50 mm,故在设计PCB 灯管布局时既经济又符合标准的灯管数量是36 对。
电梯主机通常可以给光幕提供DC24 V 或者12 V,光幕供电电路负责将电压转换成5 V 或者3.3 V 的供内部各功能电路使用,当然供电电路还要添加TVS 等吸收保护和滤波电路等。
芯片输出约30 ~ 38 kHz 的开关脉冲,轮流驱动1至36 号灯管。例如要驱动1 号灯管,则MCU 通知灯组切换电路CONA1,打开第1 组灯管的阳极供电,紧接着又通知打开1 号灯管的阴极切换电路CONK1,维持数微秒后再关闭,然后再开启,这样1 号灯管就获得了一个特定频率和脉宽的连续驱动脉冲。同时给同步信号端输出一个同步脉冲,以供接收单元与发射保持同步。如此按部就班的扫描到最后一只灯管,就是一个扫描周期,输出波形如图6 波形1 所示,工作正常时,周期性循环发出红外光、发射单元上绿色指示灯点亮。也可以打开手机摄像机查看对应的红外灯管在轮流闪闪发光。
发射管属于光幕的关键部件,其性能直接决定光幕的性能,例如红外波长、辐射角度、驱动电流、输出光功率等,当然这些参数与MCU 代码是相互适配的,换装不同型号或品牌的灯管后都需要重新进行全功能的调试。

光幕接收单元同样包括供电电路(同发射,图中省略)、MCU 控制电路、灯管切换电路、放大电路、输出驱动电路、指示灯电路、同步信号电路等。
接收单元MCU 按照收到的同步信号时序,通过控制灯管切换电路,接通灯管阳极电路,从1 号接收灯管开始接收发射单元发出的红外光,经1 号灯管光电转换后,输出微弱的模拟电信号,如图7 波形2 所示。再通过放大电路[1]滤波、放大、整形、检波后送MCU 检测判断。检波后输出的波形如图7 波形3 所示,此时的脉冲宽度已经不再是30 ~ 38 kHz 频率的脉宽了,因为放大电路输出后经过整形[2],即电容充放电延时耦合处理,送出来的脉冲宽度就是单个灯管的驱动脉冲群周期之和,这样在MCU 的输入端口就可以监测到1 个灯管对应的一个脉冲,检修时可以很快定位到对应故障灯管。当出现某个或几个灯管没有接收到红外光时,MCU 会通知输出电路输出遮挡状态电平,同时接收单元上红色指示灯点亮。将遮挡状态传送给电梯主机板,电梯门停止关闭并重新打开,以达到关门不接触防夹的保护作用。发射单元与接收单元各引出一根多芯电缆,通常发射单元引出电缆为3 芯,接收单元引出电缆为4 或5 芯,引出电缆长度大约0.5 m,故光幕都要配发延长线,这种电缆因为随电梯门开关往返运动,所以要求弯曲次数不少于540 万次。延长电缆的另外一头连接到电梯主机板上,主机板给光幕供电,同时光幕的输出信号送给电梯主机板,以完成对是否有障碍物信息的采集。
关于MCU, 以往很多厂商运用美国微芯的PIC16/18系列芯片,但是近几年在疫情中暴露出了很多问题,即其价格飞涨,交期漫长,所以逐渐转向运用国产芯片已成必然趋势。其中国产STC 系列芯片就是一种不错的选择。

根据GB/T7588.1—2021[4]要求,最小遮挡物截面为50 mm,利用最小遮挡物沿光幕保护区从上到下、从左到右进行遮挡测试,输出应该从始至终都是遮挡状态电平,如果输出跳转为无遮挡状态,则认为光幕有检测盲点。
根据GB/T7588.1—2021 要求,光幕装梯后,保护范围应能至少覆盖从轿厢地坎向上的25 mm ~ 1 600 mm区域,测试时用最小遮挡物在该高度范围内测试,应无盲点。
即发射单元和接收单元的最大可探测距离,通常可达到4 m 以上,实际上有很多产品6 m 也能稳定的工作。
安装允差包括垂直允差、水平允差、纵向角度和横向角度,具体如图8 所示。垂直允差就是发射单元和接收单元平行时,在无遮挡的状态下将发射单元或者接收单元向上或者向下移动(10 ~ 20)mm,光幕应能正常接收而不会输出遮挡状态电平。水平允差即发射单元和接收单元平行平放于桌面上,将发射单元或者接收单元向上移动(5 ~ 10)mm,光幕仍能正常完成接收工作。同理纵向角度和横向角度就是非平移误差,而是一端移动一个角度。
从光幕被有效遮挡到光幕输出遮挡状态电平的这段时间即为响应时间,人们总希望响应时间越短越好,但是过短也会产生主机识读不稳定的风险,通常在10 ~ 70 mS 时响应性能较好。恢复时间就是遮挡响应后撤除遮挡,到输出恢复正常无遮挡状态电平的时间。
环境适应性主要包括高低温及湿度试验[3],试验过程中应能正常工作。通常要求(-20 ~ 65)℃,湿度90%。
EMC 着重检测抗扰度和辐射骚扰,抗扰度主要包括静电ESD、高速脉冲群EFT/B、浪涌,以上均要参照GB/T24807/24808—2020/2021 新标执行。
光幕正常防护等级为IP54,也有部分产品可以达到IP65,具体根据客户需求确定。

根据近几年电梯智能化的市场应用开云官方,3D 光幕、智能光幕的需求量开始逐渐上升。要求光幕能实现三维区域保护,能识别门距,自动识别不同模式的电梯等。随着电动自行车禁入电梯相关规定的出台,市场上又出现了能够识别电动车的光幕。
另外一个发展方向就是提高识别精度,实现产品微型化。比如针对红外光幕无法准确识别玻璃性质的透明物体以及直径小于50 mm 的细小物体等弊端,导致近几年出现了一些安全事故,部分厂家开始研发运用TOF技术来替代红外光幕,TOF 产品化体积小、精度高、安装方便,相信未来在门保护领域也会有广阔的应用空间。
国内电梯厂商已普通应用光幕作为关门保护装置,逐步取代了传统的安全触板。本文基于普遍应用的电梯光幕,从整体架构上阐述了光幕的原理和主要技术参数,以期光幕技术能在更广泛的领域得到应用和升级。
[4] 国家标准.GB/T7588.1—2020电梯制造与安装安全规范第1部分:乘客电梯和载货电梯.



